Zentrale Lüftungsanlage DIY

Guten Tag Zusammen,

bei mir spukt schon länger der Gedanke im Kopf eine zentrale Lüftungsanlage zu bauen. Da ich schon immer ein Freund von DIY war und bin, natürlich in Eigenleistung. Bis jetzt existiert nur eine Grundidee und 200mm Wickelfalzrohre durch die Küche Richtung Bad. Diese Grundidee wollte ich hier zur Diskussion stellen, da mein eigentlicher Background die Elektrotechnik ist.

Die Wohnung ist in der obersten Etage auf zwei Mehrfamilienhäusern. Ich habe zusätzlich in den letzten Jahren noch die Speicher ausgebaut und gedämmt. Die Wohnung ist komplett offen (Türen sind zu 90% offen). Ich heize alle Räume außer das Schlafzimmer und den Speicher aktiv. Speicher, AZ, Schlafzimmer sind im Speicher. Der Rest im obersten Geschoss. Der Speicher und das oberste OG sind mit zwei Treppen und zwei ca. 2m² großen Öffnungen verbunden.

Jetzt zur Grundidee. Ich nehme mir einen Enthalpieerstatzwärmetauscher und baue drum herum die Hardware. Als Baumateriealien dienen XPS-Platten und Sperrholz.

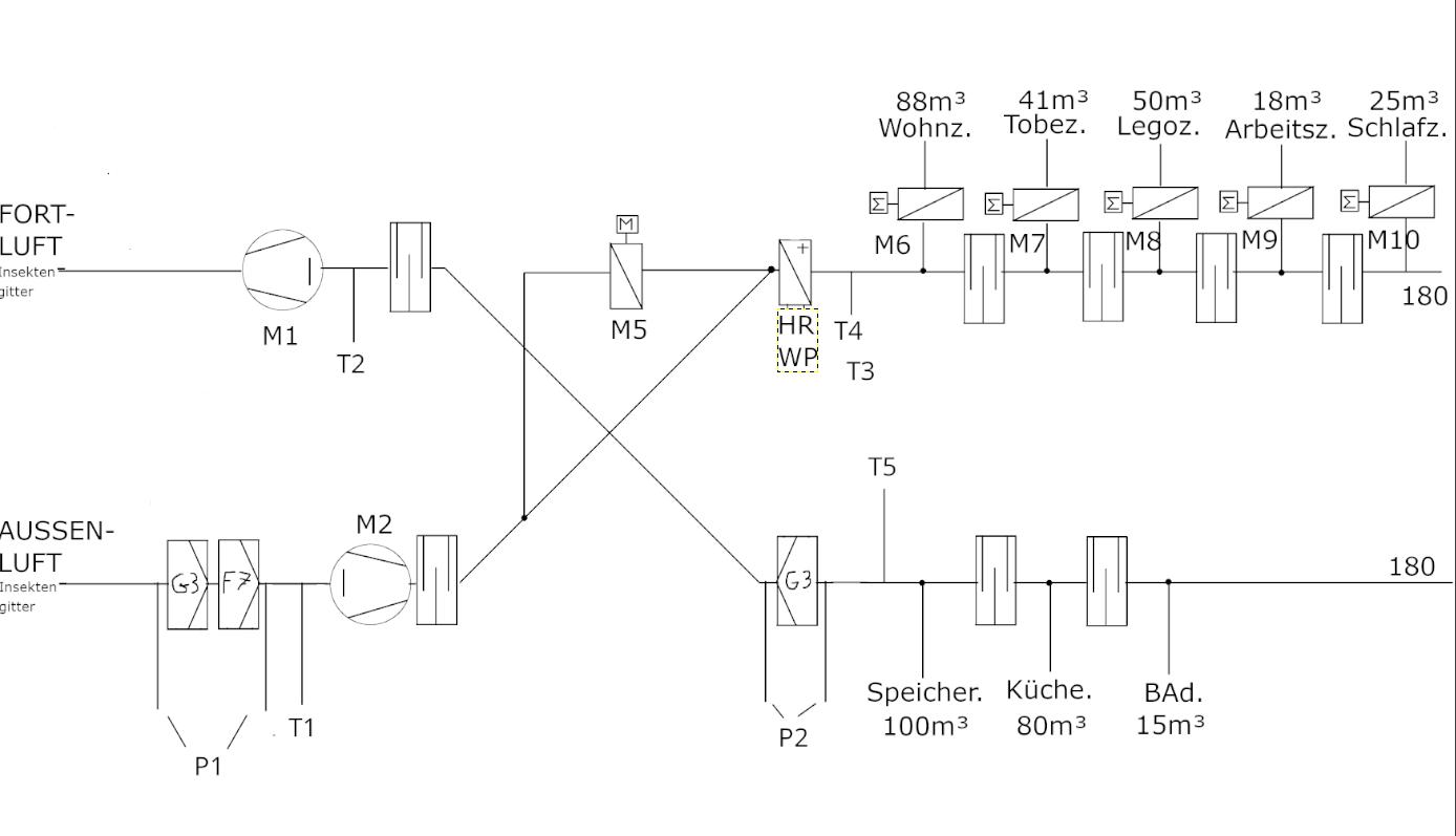
M1,M2: Zu- und Abluftventilatoren
P1, P2: Filterüberwachung
P3: Außendruck zu Innendruck (Reglung der Drehzahlen)
T2, M3 und M4: Sollte Fortlufttemperatur unter 3°C fallen werden die beiden Klappen weiter zu bzw. auf gefahren um einen Teil Umluftbetrieb zu fahren. Um so kälter, desto mehr Umluft. Dies soll verhindern das der Wärmetauscher einfriert. In Extrmfällen könnte man dann den Bypass M5 noch etwas öffnen.
M5: Bypass für Sommerbetrieb. Kann z.B. Abends geöffnet werden um die Wohnung leicht zu kühlen.
HR: Heizt die Zuluft leicht. Viel geht da wahrscheinlich sowieso nicht, da ich nur 38°C VL habe.
M6-M10: Ich will tagsüber alle Räume außer das Schalfzimmer lüften und Abends nur das Schlafzimmer. In der Hoffnung dies dadurch 2-3°C kälter zu halten als den Rest der Wohnung. Evtl. auch einfach mit Bypass. Natürlich wird die kälte auch in die anderen Räume ziehen. Da muss ich dann halt mehr heizen. Baue erstmal unmotorisierte Klappen ein und teste es händisch. Für einen Versuch ist mir das zu teuer.

Ich denke, da kann nix einfrieren. Der WT wird immer mit warmer Abluft gefüttert. Damit kannst 2 Lüfter sparen incl des Problems, daß aufn mal alles nach der “Gaserzeugung” ausm Klo riecht :slight_smile:

Nimm auf jeden Fall möglichst glattwandiges Material, dass man auch mal "ausfegen" kann -> Wickelfalz rund ist leichter mit einem Besen auf Haspel durchzukehren, als alles eckige.

Wer mal in ein Belüftungsystem im Gewerbe/Büro nach 5 Jahren Nutzung ohne Rohrwartung hineingesehen hat, lässt in der Folge die Klimaanlage im Auto längere Zeit aus. Im Wohnbereich ist ein deutlich höherer Anteil Staub, Haare, Flusen, Hautschuppen und dazu dann noch eventuell Kochdünste anzusetzen -> alles idealer Nährboden für Kleinstlebewesen, was dann durch Feuchtigkeit noch begünstigt werden kann.

Man muss so ein System regelmäßig reinigen und auch desinfizieren können, sonst wird es schnell zur Keimschleuder. Baue in die Ansaugöffnungen auf jeden Fall Filter ein, das minimiert den Eintrag von Unerwünschtem.

Rohrleitungslänge, Richtungswechsel (Bögen, Umlenkungen ...) und zwischengebaute Technik bestimmen den notwendigen Luftstrom -> je mehr "Bremsen" im System, desto kräftiger muss das Gebläse sein. Soll es nicht laut werden, müssen Rohre und Gebläse entsprechend größer dimensioniert werden.

Wenn es Vorgaben zu Brandabschnitten gibt, sind da noch entsprechende Schotten vorzusehen. Im V-Fall gucken Versicherungen da genau hin.

1 „Gefällt mir“

Da hast du natürlich Recht, wenn auf einmal die ganze Wohnung nach Pups riecht ist das eher suboptimal. :rofl:
Im Netz steht das die WT einfrieren können. Ich habe aber gerade bei der Suche danach gefunden wie es manche Hersteller machen. Die Bypassklappe wird leicht geöffnet. So geht ein Teil der Außenluft an dem WT vorbei. Hierdurch steigt die Temperatur an T2. Dann werde ich es wohl einfach so machen.

Danke. Da habe ich noch gar nicht dran gedacht. Ich suche mal nach Wartungsklappen. Die kann ich dann an einigen Stellen einbauen, das man noch überall hin kommt.

Grundsätzlich gute Idee. Mein Untroma Gerät, das letzten Sommer die Hoval RS250 ersetzt hat, ist letztlich auch nur eine Stahlbox mit Dämmstoff und außer einem Frostsensor und zwei Potis praktisch frei von Elektronik, von meiner eigenen Sensorik abgesehen. Paar Punkte:
-Würde eher alukaschierte PU Platten als E/XPS nehmen.

  • Wie bei untroma zwei Wärmetauscher und Lüfter in der Mitte, erhöht die Lebensdauer gegenüber Hoval auf der kalten Seite.
  • Wenn ich den Platz hätte und wie Du bei Null anfange, würde ich sehn, ob man nicht ein Heizregister einer Splitklima zum Zuheizen vorsehen kann.
  • Rohre zu den Räumen würde ich jetzt auch wieder zentral aufteilen, schon wegen Schallübertragung, aber ggf Deinen Örtlichkeiten geschuldet?
  • Für kalte Zu/Abluft gedämmte Rohre nehmen statt Wickelfalz und Armaflex drum rum.

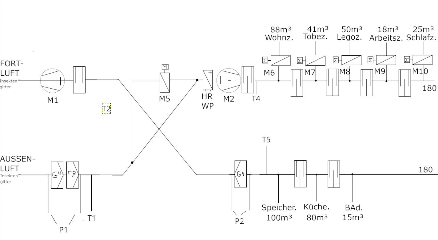
Das mit der Lüfterposition ist ein guter Hinweis (geändert). Die Platten gucke ich mir an.

Ich denke bei den Rohren bleibe ich auf der Abluftseite bei einem zentralen Wickelfalzrohr mit Schalldämpfern zwischen den Räumen (ist baulich auch schon zu weit). Wenn man das ab und an Ausblasen kann scheint es mir von Vorteil.

Bei der Zuluft wäre es möglich. Nach dem F7-F9 Filter sollte da nichts zum Ausblasen drin sein. Brauche ich trotzdem Schalldämpfer zwischen den Räumen, wenn ich flexible Lüftungsschläuche nutze und von einem zentralen Punkt in die einzelnen Räume gehe?

Das mit dem Heizregister ist eine interessante Idee. Leider ist mir der Aufwand zu hoch. Müsste das Außengerät auf dem Spitzdach installieren. Ich denke es bleibt einfach bei einem etwas größer dimensionierten HR z.B. 315mm und der Vorlauftemperatur der WP.

Parallel habe ich mir schonmal ein paar Komponenten heraus gesucht. Falls es in Sachen Preis-Leistung besseres gibt, gerne bescheid geben. Beim Heizregister bleibe ich bei 200mm. Das 315mm ist mir zu teuer. Das soll ja sowieso nur 2-4°C Temperaturhub machen. Gefühlt reicht das.

Name Anz.
Warmwasser-Heizregister Helios Typ WHR 200 1
Radial EC-Rohrventi­lator Helios RR EC 200 B (0-10V) 2
Enthalpie-Kreuzgegenstrom-Wärmetauscher Vaillant recoVAIR für VAR 260/4, 360/4 1
Belimo LM230ASR Klappenantrieb 5 Nm 230V AC,stetig 2-10V 1
Absperrklappe Wickelfalz DN 200 m.Dichtung und Motorkonsole 8x8 1
Taschenfilter G4 287x287x360mm LUVAQ 3 T., Kunst.rahmen, Synth., coarse 60% 2
Taschenfilter F9 287x287x600mm LUVAQ 3 T., Kunst.rahmen, Synth., ePM1 80% 1
Rohrschalldämpfer Wickelfalz vz.DN 200 L=1200mm 100mm 2
Differenzdruckwächter für nicht agressive Medien 30-300Pa (digital Schaltend) 2
Differenzdruckwächter für nicht agressive Medien +-2,5mBar (DL-Bus) 1
Kanaltemperaturfühler mit Montageflansch PT1000 4
CO-Gasmelder mit FIGARO-Sensor und Display 1

Momentan habe ich noch eine Therme. Ich verriegle die elektrisch gegen die Lüftung.
Evtl. kann ich aber auch einfach einen Überdruck einstellen, da muss ich mich aber beim Schornsteinfeger informieren. Dann käme zusätzlich der CO-Warnmelder.

Mit den Tauschern kannst Du ggf. auch mal bei Untroma schaun, was sich da preis/leistungsmäßig ggf. anbietet, wenn man wie Du die freie Wahl hat: untroma.com

Sensorik hab ich bei mir einfach 4 SHT31 Sensoren verbaut, die mir mit I2C Schnittstelle +/- 0.2 Grad Celsius und +/-2% rel LF liefern. Auswertung mit ESPHome Zahlen zu unserer KWL Drucksensoren fehlen bei mir noch, würde ich aber auch eher was machen, wo ich die Werte sehen kann, nicht nur ein on/off für den Differenzdruck bekomme.

Wenn Du die Lüfter zwischen zwei Austauschern machst, sind die gekapselten Rohrlüfter vermutlich nicht ideal.

Es gibt bei WRG zumeist eine vergessene Sache:

Filter an den Absaugdüsen. Das führt langfristig zu Problemen......

Ein Bypass ist für den Sommer "notwendig"

Interessant ist ein Heizregister für den Winter und ein Kühlregister für den Sommer.

Da zwängt sich eine WP irgendwie auf - nur so.....

Was wenig sinnvoll erscheint, Rohrventilatoren. Das erscheint ebenso wenig sinnvoll, so ein Gerät selbst zu bauen. Gebraucht sind hervorragende Anlagen von zB Paul mit allerbesten Warmeübertrager höchster Effizienz extrem günstig erwerbbar. Je nach Variante wie gewünscht mit Bypass, Filtereinschüben, Lüftermotoren usw...

Der Aufwand bei der Verrohrung ist ausreichend hoch genug :wink:

Das ist wenig "Platz" um ein Gerät selbst zu entwickeln, das wird in keinem Fall besser als Kaufbares.

Interessant ist zB der rein optische Vergleich zB eines Paul Atmos WT mir irgendeinem anderen Hersteller.....

Effizienz erklärt sich beim Ansehen......

1 „Gefällt mir“

Der Vaillant WT hat einen Wirkungsgrad von 85-87%. Ich denke da spare ich mir das System mit zwei WT. Welche Lüftertypen gibt es denn da noch, die mit dem Gegendruck klar kommen. Hast du evtl. einen Link?

Das ist alles im Plan, außer die Filter an jedem Abluftventil(falls du das meinst). Das hatte ich eben auch gefunden und bewusst wieder verworfen

  1. Müsste man andauernd wechseln, da sie immer wieder verschmutzt werden (kleine Fläche).
  2. Hygieneproblem: Ich würde immer vergessen sie zu wechseln.
  3. Einstellung des Tellers schwieriger, da es sich bei unterschiedlicher Verschmutzung ständig ändert.
    Da baue ich lieber Wartungsöffnungen ein und blase alle 5 Jahre mit Druckluft durch.

WP kommt kurz-mittelfristig, ansonsten muss ich dir zustimmen, würde es keinen Sinn machen. :grinning_face:

Könntest du 1–2 Links zu den genannten „hervorragenden gebrauchten Anlagen“ posten? Das würde mich tatsächlich interessieren.

Ein DIY-Ansatz hat aus meiner Sicht ein paar ganz praktische Vorteile:

Größere Filterflächen: deutlich längere Standzeit
Sehr geringe Filterkosten, weil Standard-Industriefilter genutzt werden können
Ersatzteilfreiheit: Ich bin nicht an einen Hersteller gebunden
Langfristige Upgrade-Möglichkeit: Wenn in 10–15 Jahren der Wärmetauscher getauscht werden muss, kann ich einfach einen aktuellen einsetzen und nur das entsprechende Modul erneuern
Modularer Aufbau: Ventilatoren, Register, Sensorik etc. sind frei wählbar

Für mich ist das weniger ein Kosten- als ein Langlebigkeits- und Flexibilitätsthema.

Technisch betrachtet ist eine KWL-Anlage kein Hexenwerk:
Ein Wärmetauscher, zwei EC-Ventilatoren, Filter, Gehäuse, Kondensatführung und eine Regelung. Die Effizienz hängt im Wesentlichen vom eingesetzten Wärmetauscher und vom Druckverlust ab – nicht davon, ob das Gerät industriell montiert wurde.

Natürlich braucht es etwas Abstimmung am Anfang. Aber mit identischem WT wird man sehr nahe an die Effizienz eines Fertiggeräts kommen.

Und ganz ehrlich: Mir macht es schlicht Spaß, so etwas selbst zu bauen.

1 „Gefällt mir“

Mein jetzige KWL hatte diesen Monat minimal 90.5% Wirkungsgrad als es mal richtig kalt war, typisch 94.5% (bezogen auf Wärme). Und das mit einem Gerät ohne irgendwelches elektronisches Klimbim, wo ich im Zweifelsfall dann nichts dran selber machen kann und der Heizungs/Lüftungsbauer auch nur telefoniert und am Ende dann doch nach nem Monat der Hoval Techniker kommen muß ... Da hatte ich einfach die Faxen dicke und mich für so ein Metallbauer-"DIY" Gerät entschieden. OK, ist jetzt schön aus Edelstahl, aber würde im Selbstbau auch nicht anders funktionieren. Der Wirkungsgrad hängt auch vom Volumenstrom ab, da bitte bei der Auslegung dran denken! Wieviel Aufwand man da treiben mag hängt sicherlich von der sonstigen Heizlast des Hauses ab.

Lüfter: Das Ding am Arbeitstisch ist von der alten Hoval, das andere, leider schlecht zu sehen
(B3P190-ECO92-015, müßte selber nochmal suchen) ist im neuen Untroma drin.


ByPass hab ich nicht, aber werde im Sommer mal schaun, wie es kommt, wenn ich Nachts nur abwechselnd Zu- und Abluft mit nem offenen Fenster wo es nicht stört fahre aber dafür zumindest vor dem Schlafen mit erhöhtem Durchsatz, da das Ding Reserven ohne Ende hat. Wunder an Kühl- und Heizleistung braucht mal sich nicht versprechen, ist halt nur Luft, aber wenn man Wärme/Kälte, die aus ner WP kommt da in die Zuluft leiten kann, besser als nichts.

Das ist schon sehr günstig und mit Bypass.

Paul Atmos WRG in der Suchmaschine. Es wird der WT auffallen, kein Würfel. Da gibt es ein paar Bilder des WT.......

Die Effizienz des Übertragers ist oder genauer war damals konkurrenzlos und die Angaben von Paul unabhängig bestätigt. Genau das war der Unterschied, andere Hersteller haben/hatten eher "Phantasiewerte" ......

Filter in/für Abluft ist ein Must have.
Das hält die Rohre sauber

Langfristig - Paul funktioniert "ewig". Die verwendeten Lüfter sind sehr leise und hoch effizient. Es sind EC Motore - PSM.

Leider oder zumindest finde ich keine neuen PAUL in der Art keine mehr, nur gebraucht und dann extrem günstig.......

Bypass ist mehrfach interessant. Wenn genug Platz vorhanden ist, ein "Rohrbündel" im Erdreich verlegt, mit vorgeschaltetem Luftfilter kühlt im Sommer die Zuluft. Diese kann mit Bypass unmittelbar angenehme kühle Luft liefern (im Vergleich zur Sommerhitze).

Ohne Bypass wird oder kann die Abluft reduziert werden, um die Zuluft nicht zu erwärmen, erzeugt aber Überdruck in der Bude usw.

Es ist eine Irritationen, mit WRG Fenster öffnen zu wollen. Bei funktionaler Lüftung, ist kein Bedürfnis. Vermutlich sind viele davon Allergiker - und keine Pollen in der Bude ist dann sehr erstrebenswert, gerade im Schlafzimmer.

Febster offen ist dann eher negativ und wird auch so empfunden - wurde mir auch von Anderen so bestätigt.

Daher Bypass ist nice.

Wenn man das mit dem Wirkungsgrad einmal durchrechnet:
Angenommen Draußen ist es 0 Grad und drinnen 22°C, 200m3/h:

TZuluft​=TAußen​+η⋅(TRaum​−TAußen​)
Tzul=0+0,85x(22-0)=18,7 ==>3,3°C
Tzul=0,95x22=20,9 ==> 1,1°C

Q=0,33x200x3,3=218W /3,5(COP)=62W
Q=0,33x200x1,1=72W ==>72W/3,5=20W

Mehrverbrauch 42W
42Wx24x120Tage=120KWh ==>120kWhx0,32€/kWh=40€ pro Jahr. Trotzdem Danke, ich gucke mir die Systeme mit zwei WT an und überlege nochmal. Kann man dann vom Preis abhängig machen.

Danke.

Danke gucke ich mir Morgen in Ruhe an.

Wer die Zuluft durchs Erdreich bischen vorkühlen bzw vorwärmen kann, hats natürlich noch mal extra schön. Bei uns nicht gegeben und die Platzierung im Spitzboden war eh gesetzt für kurze Wege und Optimierung im Bestand RMH. Paul war sicherlich der Pionier solcher Geräte. Ohne Enthalpietauscher muss man halt noch das Kondensat abführen und ist es bei Kälte schwieriger. Wenn man das unter den Bauteilkosten bekommt, sicherlich gut, aber wohl eher selten. Die es haben: Bringt der Bypass in Sommernächten wirklich was zur Kühlung? Bei unserer Hoval hätte da ein „chipupgrade“ (wohl primär stehender Rotator) so etwa 500€ gekostet … Inzwischen mit den Splitklimas und PV als Schattenspender auf dem Dach eh mehr oder weniger egal bei uns.

Guten Morgen,

die gebrauchte Variante überzeugt mich ehrlich gesagt nicht wirklich. Man kauft im Prinzip die Katze im Sack. Niemand weiß, ob das Gerät dauerhaft mit Filtern betrieben wurde oder was sonst damit passiert ist.

Im Winter hätte ich es zudem gerne etwas angenehmer, was die Luftfeuchte betrifft – daher tendiere ich zur Entalpie-Variante. Gleichzeitig möchte ich im Sommer leicht kühlen, indem ich die Deckenflächen nutze. Dafür plane ich zusätzlich zwei Raumentfeuchter, um die Feuchte etwas zu reduzieren. Mir ist bewusst, dass damit nur wenige Grad Absenkung möglich sind, aber das reicht mir völlig aus. Ich mag diese typische „Klimaanlagenkälte“ ohnehin nicht.

Aktueller Plan:
Ich baue drei Kästen (orange dargestellt). Vermutlich reicht eine Kondensatwanne mit Siphon auf der Fortluft-/Abluftseite aus. Sicherheitshalber plane ich jedoch zwei Wannen ein. Einen Ablauf kann ich später immer noch verschließen, falls sich nach einem Jahr zeigt, dass nur einer tatsächlich benötigt wird.

Die drei Kästen möchte ich so konstruieren, dass sie mit Spannverschlüssen und Dichtungen verbunden werden. Dadurch bleibt das System modular und gut zugänglich.

Passende Lüfter habe ich bisher noch nicht gefunden. Entweder sind sie deutlich teurer als Rohrventilatoren oder der Volumenstrom ist zu gering. Ich suche noch etwas weiter – andernfalls werde ich auf Rohrventilatoren zurückgreifen. Dann wird die Anlage zwar etwas größer, aber technisch ist das für mich in Ordnung.

1 „Gefällt mir“

Ohne da jetzt zu wissen, wie sich die Rohrlüfter schlagen, würde ich auf den Stromverbrauch hin optimieren. Bei 24/7 läppert sich das ja doch über die Jahre, zumindest in den Monaten ohne PV Überschuss. Schalldämmung ist sicherlich auch ein Thema, nicht dass die Dämmstoffboxen zu Resonatoren werden.

Sehe aber nicht, warum das nicht klappen sollte und kompetitive Ergebnisse liefern. Ist keine Zauberei. Frag mich, ob man das ganze nicht auch in einen ausgemusterten Gefrier oder Kühlschrank einbauen könnte, wenn Platz und Design keine Rolle spielt :wink:

wenn du die Gehäuse eh selber konstruierst, kannst (PWM/DC) steuerbare Radialventilatoren nehmen. spart Strom und Lärm. Produktbeispiel 0-90W 1cbm/h

1 „Gefällt mir“

Danke ich war blind bzw. habe die ganze Zeit den falschen Lüftertyp gesucht (vielleicht auch oben überlesen). Denke der hier ist schon fast oversized. Aber besser haben als brauchen. :grinning_face:

Denke mit freien Filter werde ich vom Druck zwischen 8 und 12 liegen. Dann bin ich irgendwo bei 150W mit beiden Lüftern. Ganz schön viel. Das hatte ich gar nicht auf dem Schirm. Denke ich werden die Leistung messen.

Melde mich wieder mit Baufortschritt.

1 „Gefällt mir“

Wahrscheinlich wird bei 2 x 90W ganz schön Wind sein. Dafür kannst die Dinger mit 0-10V Signal runterstellen. Wird dann sehr leise.

Ich bin ebenfalls gerade dabei eine zentrale kontrollierte DIY Lüftungsanlage zu bauen und habe gerade die Dimensionierungs und Beschaffungsphase beendet. Als nächstes werde ich die Gehäuse aus 5cm dicken XPS Platten zu bauen. Wärmetauscher und Filterboxen kommen alle in den ungedämmten Spitzdachboden.
Ich verwende zwei Enthalpietauscher 200x200x190x2,7 Polymer von Untroma dazwischen sitzen zwei billigst 140mm PWM PC Lüfter um 10€ pro Stück von Amazon. Gesteuert wird über HA ESPhome. Damit werde ich Temperatur-, Feuchte und Drucksensorik, Bypassklappen und die PWM der Lüfter steuern.

Die Filterbox wird innen das Industrie Maß von 290x290mm haben, aber ich versuch es jetzt mal mit so einem einfachen F7 Kombifilter von cleanfilter:

Falls der einen zu hohen Strömungswiderstand hat, oder zu schnell verdreckt kann ich noch immer auf Taschenfilter in der Größe wechseln. Die Länge der Box dimensionier ich bereits auf 600mm, damit auch die langen Taschenfilter drinn Platz finden.

Luftführung plane ich mit zentraler Verteilerbox bei mir in der abgehängten Decke in Flachkanälen zu machen. Dadurch muss ich zumindeste diese Leitungen nicht dämmen. Ich habe auch nur drei Abluft (2 Bäder und eine Küche) und vier Zuluft (Kinder, Schlafzimmer und Büro) stränge. Ins Wohnzimmer komme ich leider nicht so einfach und hoffe, dass auch so genug Durchmischung stattfinden wird.

G4 Filtermatten kommen an allen Ansaugdüsen, damit die Rohre sauber bleiben.

Fort- und Frischluft mache ich mit bereits fertig gedämmten Aluflexschläuchen im Spitzdachboden:

Ich bin noch am Überlegen ob ich mir den Aufwand für ein mit Heizungswasser gespeistes Heizregister antuh oder nicht.

Frohes Schaffen!

1 „Gefällt mir“