Das 1000ste DIY BMS

Stimmt, hab da die Zusammenhänge etwas auseinandergerissen.
Ich traue den Chinesen einfach nicht zu, dass sie bei so einem günstigen BMS das sichere Abschalten so entwickeln und absichern, wie das z.B. ein nimbus4 tut. Er hat das ja lang und breit erklärt, auf was man alles achten muss, SOA, Avalanche, Leitungsinduktivität usw.
Und SOA war ja gerade auch bei meinem Balancer ein Thema, daher die Überleitung vom kleinen Balancer-FET zum China-BMS.

Ziemlich sicher durchlegiert:

Balancer-Kurzschluss:

Andy hat sogar mal gefilmt, wie ein MOSFET hochgeht, als er einen leichten Überstrom abschalten sollte:

Auch da hat es geraucht, hab aber nicht alles durchgelesen, was am Ende genau passiert ist:

Und hier:

Es gibt bestimmt noch mehr Fälle, die nicht im Netz dokumentiert oder schwerer zu finden sind. Das Misstrauen in die Dinger ist bei mir halt einfach da, einfach weil ich weiß, wie schwer es ist einen MOSFET-Schalter so auszulegen, dass er quasi unkaputtbar ist.

Unkaputtbar ist garnicht nötig. Ich sehe auch garnicht, warum man mit dieser Begründung auf Mosfets verzichten soll. Eine Schmelzsicherung geht auch kaputt, of ein mechanischer trenner wirklich trennt, ist auch nicht sicher.

Das BMS soll doch den Akku schützen. Macht es doch auch.

1 „Gefällt mir“

Erst jetzt gelesen den Thread …
Ein paar PN-Dioden in Serie würden verhindern, dass T10 die Zelle komplett entladen kann.
Du kannst für T10 auch einen Darlington verwenden, weil zuverlässiger.

Das wäre natürlich eine Idee. Die 1,7 Ohm Leiterbahnschleife kürzer machen, und dafür die P-N-Übergänge einiger Dioden (in Durchlassrichtung) in Serie dazuschalten. Da müsste man sich nur anschauen, wie man die Wärmeabfuhr von den Dioden macht. Eine im TO220-2 Package wäre wohl nicht schlecht.
Dann würde das Entladen der Zelle bei etwa N*0,7V automatisch stoppen, auch wenn der MOSFET durchgeschossen ist.

Einen Bipolartransistor statt einem MOSFET verwenden...auch eine Idee. Meist nimmt man MOSFETS, weil weniger Verlustleistung, aber gerade das wäre hier ja eh egal, wo man die Leistung sowieso nur verheizt.

1 „Gefällt mir“

Im Moment ist das ja ein selbststabilisierendes System, wenn die Kupferschleifen heiß werden, steigt der Widerstand, weil Kupfer einen positiven Temperaturkoeffizienten hat. Wenns zu heiß wird, löst die Polyfuse aus und es fließt nur noch ein kleiner Reststrom.

Dioden haben einen negativen Temperaturkoeffizienten, je heißer die werden, desto kleiner die Flussspannung.

Die Dinger starten bei 2A Balancerstrom bei 25°C bei 930mV. Sie erhitzen sich durch die 1,8W Verlustleistung erheblich und landen dann irgendwann bei 125°C (innen im Halbleiter) bei 780mV. Der Strom steigt dadurch erheblich an, wodurch die Verlustleistung weiter steigt.

Ich müsste 4 Dioden in Reihe schalten, damit ich einen Schutz vor Tiefentladung hätte, dann würde unter 2,2V (550mV/Diode) kein nennenswerter Strom mehr fließen (bei 25°C).
Für 2A müsste ich den Vorwiderstand dann aber sehr klein machen.
Ist der MOSFET kaputt oder wird von der Software falsch angesteuert, werden die Dioden heiß. Dann fließen aber auch bei 400mV noch erhebliche Ströme. Die Zelle würde also bis 1,6V entladen werden.

Sorry, das funktioniert nicht. Das wäre ein hochgradig instabiles System, was nicht wirklich schützt, aber thermisch durchgehen kann.

Du sollst ja auch nicht nur die Dioden verwenden, sondern noch einen Strombegrenzungswiderstand
wie Alexx das erklärt hat.
Zudem kann das System nicht durchgehen, weil die tiefentladene Zelle den Strom nicht
dauerhaft bereit stellen kann. Also steigt die Flussspannung dann wieder an.
4 PN-Strecken plus Widerstand wären da schon eine gute Kombi wenn man denn wirklch
verheizen will.

Ich würde auf jede Leiterplatte einen isolierten DC–>DC Converter setzen, der auf die
Batterieklemmen arbeitet.
Also mit einer Ladungspumpe die Zellenspannung verdoppeln und dann einen Wandler
auf UC384x Basis verwenden. Kein Ding und frisst kein Brot. :slight_smile:

Zunächst einmal: Du kannst auch insgesamt 8 Dioden verwenden, immer zwei parallel, und das Ganze 4x in Reihe. Dann verteilt sich die Heizleistung räumlich schon mal viel besser, und Du hast nur halben I_F pro Diode. Wenn Du welche im TO220-2 Package nimmst, haben die einen recht niedrigen Wärmewiderstand zum Heat Sink (Kupferfläche) hin. Das müsste man mal durchrechnen, aber wahrscheinlich kannst Du die Junction Temperature (Tj) dann schon recht weit begrenzen.

Wenn wir mal annehmen, dass Du bei 3,2V Zellspannung mit 2A balancen können willst, und an jeder kalten Diode 550 mV abfallen, dann müsstest Du einen 0,5 Ohm-Widerstand nehmen.
Bei 2,2V Zellspannung und heißen Dioden (400 mV Drop pro Diode) fallen am Widerstand dann noch 0,6V ab, was bei 0,5 Ohm dann 1,2 A Entladestrom ergibt. Das ist dann definitiv kein thermisches Durchgehen mehr. Die Dioden erwärmen sich dann schon deutlich weniger als im Regelbetrieb. Schon deutlich vor Erreichen der 1,6V Schwelle wird der Stromfluss dann stoppen.

Also ich würde intuitiv sagen, dass das bei gutem thermischem Kontakt der Dioden zur PCB-Kupferfläche thermisch stabil und inhärent sicher ist. Im Zweifelsfall kann man es ja experimentell erproben - eine LiFePO4-Einzelzelle, 4 Dioden und ein 0,5 Ohm-Widerstand genügen.

Ich begrüße ja Eure Kreativität, aber Ihr versucht hier, Probleme zu lösen, die keine Probleme sind.

Die Idee mit den Dioden führt zu riesigen Toleranzen im Balancer-Strom, denn bei heißen Dioden sieht der "Strombegrenzungswiderstand" die doppelte Spannung als bei kalten Dioden.
Parallelschalten von Dioden verdoppelt nicht deren Stromtragfähigkeit, weil die jeweils heißere Diode mehr Strom nimmt, dadurch noch heißer wird und dann die kältere abhängt.
Und je länger der Balancer aktiv ist, desto mehr Strom fließt. Nee, nicht das, was ich haben möchte.

Kriegt man sicher alles irgendwie hin, ist aber nichts, was einfach mal so sicher mit PI-Mal Daumen-Auslegung funktioniert, schließlich brauche ich dann auch einen MOSFET, der 4A statt 2A tragen kann, weil der Balancer-Strom kann ja auch mal sehr groß werden, wenn die Dioden heiß sind.
Hier mal eine Simulation dazu:

grün: 25°C
blau: 125°C (Junction-Temperatur der Diode)

0,3Ohm würde ich auch nicht mehr als Strombegrenzerwiderstand bezeichnen.

Ich mache solche Auslegungen beruflich und würde so eine Schaltung niemals in Serie bringen, weil das nur schwer absicherbar ist. Pi-Mal Daumen geht da gar nicht. Da muss man sehr genau drauf schauen.

Warum ist ein Darlington-Transistor zuverlässiger als ein MOSFET?

Das mit dem isolierenden DCDC kann man machen, wenn man mit hoher Effizienz balancen will. Aber das läuft ja genau gegen meinen Ansatz: Keep it Simple and Cheap und läuft auch dem Ansatz zu wider, keine Leitungen zwischen den Zellen verbauen zu müssen. EMI machts auch.

Diese ganzen Dinge bringen unheimlich Komplexität rein. Komplexität kann man machen, aber nicht mal eben so als kleines Hobbyprojekt. Mit Komplexität schafft man viele neue Fehlermöglichkeiten, Dinge, die man übersehen kann. Mehr Bauteile bergen mehr Ausfallrisiken.

Mein ursprünglicher Ansatz birgt kaum Hardware-Risiken. Das ist einfach, überschaubar, kann PI mal Daumen ausgelegt werden. Perfekt für ein Hobby-Projekt, bei dem man mit begrenztem Zeitaufwand was erreichen möchte. Mir geht es hier nicht drum, das perfekte BMS zu entwickeln. Überhaupt gar nicht. Mir geht es darum, ein möglichst einfaches BMS zu entwickeln, welches mit wenig Hardware möglichst sicher ist, bei dem ein Einzelfehler nicht zu Feuer und Rauch führt.

Das Risiko einer tiefentladenen Zelle bei defektem Balancer haben alle Konzepte gemeinsam, sowohl bei kapazitiven Balancern, bei DCDC-Balancern, als auch bei meinem Balancer. Wenn eine der Dioden, die Ihr da reinbauen wollt, wegen falscher Auslegung durchlegiert, wird die Zelle dann doch tiefentladen. Hat man mit den Dioden dann wirklich weniger Risiken?
Sehe ich nicht so, es wird nur viel toleranzbehafteter, komplexer und deutlich teurer pro Zelle.

Im Moment kostet der Balancer ca. 16 Cent für den Transistor und 11 Cent für die Multifuse.
Euer Ansatz vervielfacht diese Kosten, die ja dann auch nochmal mit 16 multipliziert werden müssen.

Da wäre der kapazitive Balancer mit Kabeln doch viel billiger und gleichzeitig besser.

Gerade eben mal eine MUR460L ans Labornetzteil getan.
660mV @ 100mA
900mV @ 2A
Nach Deiner Theorie müsste da bei 2A weniger Spannung abfallen.
Also alles korrekt was Alexx geschrieben hat.

MUR460 Ohne L genau so. Das wollte ich noch wissen.

Was sagst Du zu dem Vorschlag mit dem DCDC Converter?

Habe ich so nie behauptet.
Das Datenblatt sagt das:

Steht alles in meinem Post drin.

Das passt.
Dann müsste die Junktion bei 2A 100 Grad sein.

Nein. Die anderen Konzepte kannst Du mit einer Sicherung schützen

Gegen Kurzschluss ja, gegen Softwarefehler nein.
Mein Konzept könnte ich mit einer Thermosicherung statt der Multifuse schützen. Im Normalbetrieb macht der µC nur 50% Tastverhältnis, bei 100% Tastverhältnis oder kaputtem FET öffnet die Thermosicherung.
Gegen Balancen unter ca. 3,2V würde das hier helfen:


Erhöht aber den Ruhestrom, da man die Referenzspannung nie abschalten darf.
Edit: Ich sehe gerade, dass R10 zu R12 noch nicht passt

Besser wäre das hier:


R6 müsste man nochmal genau rechnen.

Das wohl schon, aber was ist bei 3,3V ? Da ist dann der Q1 in irgendeinem halb durchgeschalteten Zustand, und am Gate von T10 liegt irgendeine Spannung von 0,5V...1,0V oder dergleichen an, so dass der T10 in einem resistiven Zustand ist und viel Leistung verheizt. Da wäre dann ein "dicker" T10 mit gutem Wärmekontakt auf eine Kupferfläche ratsam.

Du hast völlig recht. Ein Problem nicht richtig behoben, dafür aber ein neues geschaffen. Der Klassiker!
Also zurück auf Anfang: Alte Schaltung und mit Software, Watchdog und Brownout-Reset diesen Fehlerfall ausschließen.
Was ich gestern Abend aber noch angepasst habe: Ich kann nun durch eine ADC-Messung an der Multifuse einen durchlegierten FET und eine ausgelöste Multifuse erkennen.

Widerstand von Basis nach Drain = Schmitt.

Aber Aufgrund der Messergebnisse würde ich die Dioden nehmen.

Ja, das wäre ne Lösung.

Ich nicht :slight_smile:

Ich habe auch BMS entwickelt, sehe das aber anders. Massen-Platinen kosten wenig Geld, und Unabhängigkeit von der Verbauung / Abmessungen finde ich anstrebenswert. Danke an alle die hier Input / Arbeit und gute Quellen beitragen !!

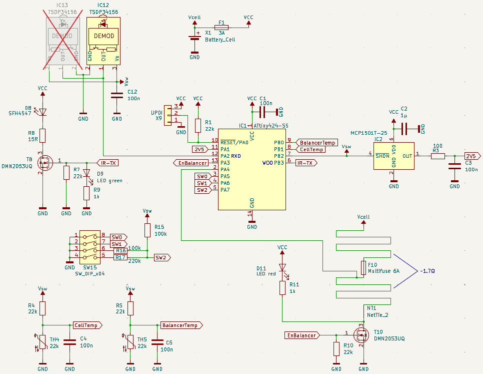
So, am Wochenende kam ein anderes Projekt dazwischen, aber jetzt gehts weiter. Aktueller Stand:




Änderungen:

  • LED für Balancer jetzt am Drain von T10
  • ADC-Messung direkt an Polyfuse, um Auslösen der Polyfuse oder durchlegierten T10 erkennen zu können.
  • Wegen Pin-Mangel am ATTiny nun DIP-Switch einlesen über Widerstandsnetzwerk

Den DIP-Switch brauche ich übrigens, um dem µC sagen zu können, auf welcher der 16 Zellen er sitzt.