Warum das ganze?
Das Lynx System ist, was den „Power In“ angeht, preislich mit rund 130€ pro Stück für den gebotenen Funktionsumfang völlig ok. Eine platzsparende, berührungssichere und saubere Gleichstromverteilung. Was ich jedoch nicht ok finde, ist der Preis welcher für den Lynx Shunt aufgerufen wird. Zumal dieser auch noch einen geringeren Funktionsumfang wie der normale Smart Shunt hat. (soviel zur persönlichen Meinung)
Die Idee:
Irgendwie den Smart-Shunt zwischen die beiden Lynx Busbars basteln…
Da ich nicht gerade ein Freund von provisorischen Bastellösungen bin, dachte ich mir: Da muss ich wohl ein Gehäuse drum herum konstruieren welches zu den beiden „Power ins“ passt.
Glücklicherweise musste ich das nicht, denn diese Arbeit hat schon jemand anderer vor mir erledigt und das ganze bereitgestellt :) Herzlichen Dank dafür!
https://www.printables.com/de/model/294442-victron-lynx-battery-switch-smart-shunt-enclosure
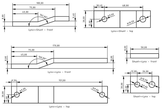
Basierend auf den 3D Files habe ich ein paar kleine Sachen abgeändert. Von der Funktion des Batterieschalters halte ich nichts, deswegen ist der raus geflogen. Dafür habe ich eine kleine Spannugsanzeige integriert. Einmal um den Precharge zu visualisieren und auch so sind ein paar leuchtende Anzeigen nie verkehrt :)
Zu den ganzen 3D Druck Teilen benötigt man dann eigentlich nur noch 3 Kupferstücke welche das ganze leitend machen. Habe mich dazu entschieden das ganze in der selben Stärke wie die Lynx Busbars zu machen (8/30mm)
Wenn man nicht die Möglichkeit hat 8mm dickes Kupfer „professionell“ zu biegen macht es viel mehr Sinn hier lieber 1-2mm starke Schienen zu nehmen und die übereinander zu legen. Würde ich beim nächsten mal auch so machen. Muss sagen, hatte schon ordentliches Glück am Schraubstock :)
Evtl. hat‘s auch geholfen die Teile erst mal in 3D zu drucken. Die 3D Files für die Verbindungsstücke kann ich gerne bereitstellen.
Zu guter Letzt musste ich mir dann natürlich auch noch ein in der Länge passendes VE Direct Kabel Crimpen. Also musste ich nicht, aber bei den Preisen für Originalkabel… Merke aber schon das ich langsam zu alt für solch Kleinzeug werde.
Abgeschnittene Kabelbinder geben übrigens einen tollen Knickschutz.
Die Abdeckung im passenden „Victron Ral 5015“ ist gerade auch in der Arbeit, ich werde dann berichten ?
Grüße,


















