Hallo zusammen,
ich bin nun umgezogen und plane gerade den Umbau meiner Heizungsanlage und würde mich über eure Einschätzung freuen, ob das Konzept so sinnvoll ist, ich etwas grundlegend übersehe, mich völlig verrannt habe oder ich etwas verändern sollte.
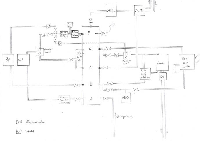
Ausgangslage:
EFH ca. 200 m², energetisch eher schlecht (Klasse F), aktuell 30 kW Ölkessel (25 Jahre alt, gute Werte) mit Gliederheizkörper. 3000l Öl noch in den Tanks. PLZ Bereich 23**
Bei ca. –5 °C Außentemperatur liege ich aktuell bei 40–45 °C Vorlauf.
PV: 18 kWp, 16 kWh Akku, Strompreis ~22 ct/kWh.
Gute Holzverfügbarkeit, bei normalem Kamin wird mir zu warm.
Wegen der großen Restmenge an Öl und dem noch gut funktionierenden Brenner soll dieser weiterhin als Backup und als Peakunterstützung dienen.
Geplantes System:
Kern des Ganzen soll ein großer Pufferspeicher sein, den alle Wärmeerzeuger beladen.
Steuerung durch TA UVR16x2
Wärmepumpe als Hauptwärmeerzeuger lädt Pufferspeicher mit Umschaltventil wahlweise oben oder mittig
1000-Liter Pufferspeicher
Wasserführender Kamin (~6 kW ins Wasser)
→ täglicher Betrieb am Nachmittag/Abend
→ Einspeisung in Heizzone, bei Bedarf per Umschaltventil WW-Zone
→ Idee: Wohnzimmer bleibt kühler, Kaminwärme verteilter nutzbar
Frischwasserstation für Warmwasser
DC-Heizstab (2 kW)
→ v. a. für Warmwasser im Sommer
→ habe noch Panels rumliegen
→ soll die Wärmepumpe schonen, damit sie nicht wegen kleiner WW-Zapfungen startet
Ölkessel bleibt als Backup/für Peaklast, nicht für den Regelbetrieb
Die Anlage soll weitgehend in Eigenleistung entstehen, mit Unterstützung eines ehemaligen Heizungsbauers.
Fragen:
- wenn der Ölbrenner irgendwann das Zeitliche segnet, wollte ich ihn eigentlich nicht ersetzen. Wie dimensioniere ich denn die WP am besten, damit sie später auch noch reicht.
- Ich bin jede zweite Woche alleine zu hause und dann reichen mir auch 17-18 Grad, zumal das Haus dann fast den ganzen Tag leer ist. Ich möchte aber natürlich auch 20-21 Grad schaffen. Die Ausbaureserve im DG mit >40m² lasse ich jetzt lieber mal raus..
Danke!
Malkian


