Multiplus - N durchverbinden im Inverterbetrieb ?

Hier im Forum gibt es verschiedene Vorschläge, wie eine Umschaltung auf Notstrombetrieb realisiert werden kann. Nach Lesen des Kapitel 7 in Victrons Wiring-Unlimited-EN.pdf würde ich eine einfache Variante bevorzugen.

Frage: Spricht etwas dagegen, den Neutral Leiter - auch wenn der Multiplus intern unterbricht - von ACin zu ACout durchzuverbinden / zu brücken?
Oder wirkt sich dies negativ auf den Inverterbetrieb aus? (Funktioniert nicht, Gerät wird beschädigt)
N wäre dann im Inverterbetrieb weiterhin mit Grid-N verbunden.

Denn wenn man den N schaltet, dann ist man nur dann auf der sicheren Seite, wenn man einen 1-0-2 Umschalter mit voreilendem N wählt. Diese habe ich nur in 4-polig gefunden. Wenn man mehr als einen Schalter braucht, dann benötigen die (zu) viel Platz.


Längere Erklärung:
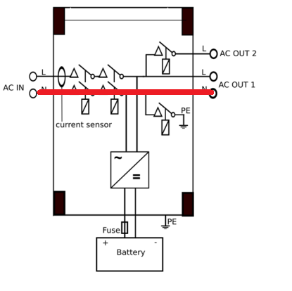
Bekanntlich verfügt der Multiplus über Relais, die beim Umschalten von OnGrid / Pass Throught auf Inverter / OffGrid die Phase und N vom Netz trennen sowie PE und N verbinden.

In einer Hausinstallation mit TN-C-S Netz mit nur einem Multiplus, also einphasig, läßt sich m.E. ein Bypass Schalter 1-polig realisieren, wenn man keine Rücksicht darauf nimmt und N nicht auftrennt.

In den Bildern von Victron würde es so aussehen:

Die Erläuterung in Kapitel 7 bemüht Mobile Installation auf einem Boot.

Der dort gezeigte RCD auf der Landstromseite würde auslösen, wenn man auf Seite des Bootes N und PE fest verbindet. Da sind die Relais im Multiplus zwingend erforderlich.

In einer Hausinstallation könnte es so aussehen:

Mit Schalter in Position "Grid" mit Sicherungsautomaten an ACin "Ein" arbeitet der Multiplus "grid parallel" im ESS Mode (EM24 nicht eingezeichnet).

Mit Schalter in Position "USV" mit Sicherungsautomaten an ACin "Ein" arbeitet der Multiplus "pass throught" oder kann auf "Inverter Mode" umschalten, wenn das Netz ausfällt. An ACout sind nur wichtige Verbraucher angeschlossen.

Um zu Wartungszwecken den Multiplus spannungsfrei zu schalten, wählt man den Umschalter in Position "Grid" und schaltet den Sicherungsautomaten an ACin aus.
N bleibt verbunden.

Ein PV Inverter, der sonst auf Phase L2 einspeist, kann durch 1-poliges Schalten der Phase auf ACout umgeschaltet werden.
Durch weitere 1-polige Umschalter könnten nach Bedarf die Phasen der "anderen Verbraucher" auf ACout geschaltet werden.

Motivation:
Ich möchte den "USV Mode" nutzen ohne dass es für die Bewohner eine Einschränkung bedeutet. Lieber nehme ich in Kauf, dass die "anderen Verbraucher" im Inverter Mode nicht versorgt werden.

Ein Notstromumschalter, der alle Phasen auf eine zusammenschaltet, kann nur umgeschaltet werden, wenn der Strom bereits ausgefallen ist.

Ich glaube ich habe nicht richtig verstanden was du möchtest.
Das mit dem vorauseilenden N hab ich nicht verstanden. Warum ist es wichtig das der N-Kontakt zuerst schließt?
Der Schutzleiter wird ja nicht geschaltet und liegt immer an.
Solange sicher gestellt ist das es beim schalten keine Verbindung zwischen den Netzen gibt ist doch alles OK.

Wenn du keine Platz im Zählerschrank hast könntest du dir die Schalter auch in eine Verteilung neben den Zählerschrank einbauen.

Den WR kannst du direkt an ACout anschließen das hat keine Nachteile (bitte 1:1 Regel beachten).
Was der MP sich nicht an Strom holt wird an ACin durchgeleitet wenn das Netz da ist.
Daher brauchst du den Schalter nicht.

Phasenweise umschalten kannst du machen wenn du die Phase hinter dem RCD unterbrichst und auf den MP legst.
Wenn du den N nicht brückst musst du für jede Phase dann einen eigenen Klemmblock machen.

Ob es ein Problem gibt wenn du den N hinter dem Multiplus brückst kann ich dir nicht sagen.
Bei Freischaltung vom Netz bist du dann aber nicht mehr komplett vom Netz getrennt was dazu führen kann das die Zulassung erlischt bzw. der NA Schutz nicht korrekt ist.

Wenn das Netz freigeschaltet wird erwartet der Netzbetreiber zur Wartung ja dass alle Phasen und der N-Leiter Spannungsfrei sind und er damit machen kann was er möchtet :D.

Schau mal hier https://www.bera-group.de/notstromumschalter/

Dort gibt es 2-polige Umschalter, die nicht so groß aufbauen und genau das erfüllen, was du brauchst. Zur Not auch als Aufputz-Version, wenn es gar nicht mehr in die UV passt.

Das mit dem vorauseilenden N hab ich nicht verstanden. Warum ist es wichtig das der N-Kontakt zuerst schließt?
Beim Schalten von 3 Phasen verhindert es eine Sternpunktverschiebung. Hm, ist es beim Schalten nur einer Phase irrelevant :think:
Der Schutzleiter wird ja nicht geschaltet und liegt immer an.
Wegen diesem Umstand verstehe ich nicht den Nutzen, den N zu schalten.
Ein TN-C-S Netz stellt einen PEN Leiter. Ab HAK wird dieser in N und PE getrennt weiter geführt. Wenn der Multiplus sich vom Netz abschaltet und in den Invertermodus wechselt, trennt er N und L, sowie verbindet seinen N mit PE. PE ist fest verdrahtet mit PEN und damit auch mit dem N, der an ACin anliegt.
Hoffentlich ist es so verständlicher erklärt, wie die Ausgangsfrage, kann man N verbinden, entstanden ist.

Der interne Aufbau des Multiplus ist mir unbekannt; also ob zwischen dem Punkt, an dem das Relais die Brücke zwischen N und PE herstellt und dem N an den Klemmen von ACout noch weitere Beschaltung ist, sei es eine Strommessung o.a.

Was übersehe ich hier, weil doch sonst immer empfohlen wird, mit einem Notstromumschalter auch den N umzuschalten?
Bei Freischaltung vom Netz bist du dann aber nicht mehr komplett vom Netz getrennt was dazu führen kann das die Zulassung erlischt bzw. der NA Schutz nicht korrekt ist.
Wenn das Netz freigeschaltet wird erwartet der Netzbetreiber zur Wartung ja dass alle Phasen und der N-Leiter Spannungsfrei sind und er damit machen kann was er möchtet.
Hm, inwiefern ist denn der N nicht spannungsfrei, wenn er doch via PE mit meiner lokalen Erde verbunden ist?
Da du oben schreibst, dass "der Schutzleiter nicht geschaltet wird", fehlt mir hier noch das Verständnis, wie die korrekte Beschaltung ist.
Wo ist mein Denkfehler?

Ich habe das Konzept von Victron anders verstanden und entsprechend umgesetzt. Der Küchen und Wohnzimmerkreis hängt immer auf dem ac-out2, im Falle eines Stromausfalls wird dieser dann entsprechend aus der Batterie/Solar versorgt.
Falls der MPII einen Defekt hat, schalte ich auf den vorhandenen Kreis im Haussicherungkasten um und kann ihn ausbauen und einschicken. Zusätzlich habe ich eine Steckdose um den zweiten Kühlschrank per Kabeltrommel versorgen zu können.
Das Bild zeigt die Unterverteilung die das umsetzt, oben links ist ein vierpoliger Um/Wahlschalter, dieser Schaltet mit Neutralstellung L, N und PE.


Ich habe das Konzept von Victron anders verstanden und entsprechend umgesetzt. Der Küchen und Wohnzimmerkreis hängt immer auf dem ac-out2, im Falle eines Stromausfalls wird dieser dann entsprechend aus der Batterie/Solar versorgt.
Falls der MPII einen Defekt hat, schalte ich auf den vorhandenen Kreis im Haussicherungkasten um und kann ihn ausbauen und einschicken. Zusätzlich habe ich eine Steckdose um den zweiten Kühlschrank per Kabeltrommel versorgen zu können.
Das Bild zeigt die Unterverteilung die das umsetzt, oben links ist ein vierpoliger Um/Wahlschalter, dieser Schaltet mit Neutralstellung L, N und PE.1665827778166.jpg
Falls mehr als ein Bild angehängt ist, ich sehe nur das Foto vom Schaltkasten.

Habe ich richtig verstanden:
Links unten im Kasten mit blauem Hebel ist ein RCD zu sehen, oder? (Kann das Bild nicht genügend vergrößern)
Hast du ein TT Netz ab dem Kasten aufgebaut, also eine eigene Erdung (Staberder etc) erstellt, an die die PE Leiter angeschlossen sind?
Die PE sind also normalerweise nicht verbunden mit den PE des Haussicherungkasten?
Und die Brücke zwischen N und lokalem PE befindet sich am Eingang des RCD?
Ok, dann würde bei Netzausfall der Multiplus durch Trennen von N und L sich komplett vom Netz trennen.

Meine gesamte Anlage (alle Gehäuse von WR, MPPT ect.) hängt auf der Potentialausgleichschiene vom Haus.
Aus dem Sicherungskasten gehen zwei Kabel (je 3x2,5) zur Unterverteilung zum Umschalter, damit kann ich den Kreis Küche/WZ auf den "originalen" LS/FI schalten oder auf den ac-out2 vom MPII 5k. Der Kreis wird immer über den Multiplus versorgt. Das funktioniert sehr gut, allerdings ist historisch gewachsen der Backofen separat und die Spülmaschine auch um die Kabel zu schonen. Diese würden dann nicht mehr funktionieren wenn der Saft von außen weg wäre. Unten ist die geforderte LS/FI Absicherung ausgeführt die an dem ac-out2 geklemmt sind. Von wo der Batteriewechselrichter sein PE bekommt weiß ich nicht, ich habe das mit einem Duspol getestet und der RCD löst bei 30mA aus. Das hat mir so gereicht.

Schau mal hier https://www.bera-group.de/notstromumschalter/
Dort gibt es 2-polige Umschalter, die nicht so groß aufbauen und genau das erfüllen, was du brauchst. Zur Not auch als Aufputz-Version, wenn es gar nicht mehr in die UV passt.
Danke für den Tipp!
Wenn einphasig ausreichend ist, dann würde mit 1TE auch dieser ausreichen:
https://hager.com/de-ch/katalog/produkt/sft140-wechselschalter-1p-40a-mittig-aus
Die 9kW Spitzenleistung des Multiplus würde ich aber nicht durchleiten wollen. Da ist der etwas knapp ausgelegt.
Zumindest für das Zuschalten weiterer Verbraucher bzw. 4kW PV auf ACout bei Bedarf im Falle eines Netzausfalls sollte er geeignet sein.

Zu diesem Hersteller habe ich noch kein Vertrauen gefunden, dass der Schalter wirklich 63A aushält:
https://de.traconelectric.com/product/SVK163/Wahlschalter--I-0-II--Reiheneinbau-1P--63A

Der zuletzt genannte Wahlschalter hat nur einen Pol. So wie ich es (als Laie!) verstanden habe, muss zwingend neben der Phase auch der N mit umgeschaltet werden. Der N des Netz hinter dem MultiPlus darf nicht mit dem N des Netzes vor dem Multiplus verbunden sein. Du brauchst also mindestens einen zweiphasigen Umschalter. Siehe auch das Blockschaubild vom MuliPlus, da ist extra ein Relais verbaut (für den NA Schutz) das du ansonsten überbrücken würdest

Gegenfrage: Warum macht sich Victron die Mühe extra ein Relais für die Trennung des Neutralleiters vorzusehen, wenn man den einfach verbunden lassen kann? Merkst Du was?
Außerdem hebelst Du damit die Zulsassung des Geräts als ESS aus, das nimmt Dir niemand ab. Ich meine in der ESS Anleitung irgendwo gelesen zu haben, dass der Neutralleiter ACin und ACout nicht verbunden werden darf.

1 „Gefällt mir“
Ich habe das Konzept von Victron anders verstanden und entsprechend umgesetzt. Der Küchen und Wohnzimmerkreis hängt immer auf dem ac-out2, im Falle eines Stromausfalls wird dieser dann
Du weißt schon dass auf ACout2 bei Grid Ausfall kein Saft ist ? Der wird normalerweise abgeworfen, da gehören die Unwichtigen Verbraucher drauf. Hast Du das nicht ausprobiert ob es funktioniert ?

Ja, ich habe ac-out 1 und 2 verwechselt. Natürlich hängt mein Notkreis auf ac-out1 :wink:

Vielen Dank für eure Hinweise und Tipps. So ganz überzeugt von den Argumenten, dass man den N abschalten soll, war ich noch nicht.
Nach längerer Recherche im Netz zu Kuppelschaltern und Erzeugungsanlagen gemäß VDE-AR-4105 scheint das Schalten des N-Leiters in TN-C-S Netzen nicht gefordert zu sein.
Leider sind die Normen ja nicht frei verfügbar, so kann man nur indirekte Hinweise finden.
In Beschreibungen von Hager und Eaton wird darauf hingewiesen, dass in TN-C-S Netzen nur die Außenleiter (3-polig) geschaltet werden.
Auch Kuppelschalter unter Quelle Punkt 4 beschreibt es, auch wenn dort keine Begründung steht.
Gleichwohl gehen auch im Forum diesteckdose.net die Meinungen auseinander. Scheint eine komplizierte Thematik zu sein.
Auf der sicheren Seite ist man sicherlich, wenn man den N umschaltet. Der Multiplus stellt dann die nötige Brücke von N zu PE wieder her.

Der Multiplus ist ja ein flexibles System, das in verschiedenen Netzen eingesetzt werden kann. Dass er allpolig trennt, ermöglicht dann z.B. den Einsatz in TT, TN-S und Inselnetzen - wenn man der Hager-Beschreibung folgt.

Aufgrund eines Verschaltungsproblems (meines Elektrikers) habe ich gerade unfreiwillig getestet, was passiert, wenn N von AC-In und AC-Out verbunden werden:

Der Multiplus schaltet auf Inverter und bedient die Verbraucher aus dem Akku, der AC-In wird abgeschaltet. Periodisch versucht der Multiplus den AC-In wieder zuzuschalten, dabei klackern die Relais wild und die Lampen hinter AC-Out flackern. Ich habe gelesen, das hat etwas mit der Netzfrequenz-synchronisation zu tun, die der Multiplus dann nicht durchführen kann.

Also: einfach nicht machen

1 „Gefällt mir“

Kann eigentlich nicht sein, da ist wohl irgendwas anderes bei dir passiert.

Denn solange an AC_in Netzspannung anliegt, ist das N von AC-In und AC-Out intern im Multiplus durchverbunden.

Ich brüte gerade über einer ähnlichen Frage => Multiplus TNC NAS allpolige Trennung PEN bei Notstromumschalter ? - Panels, Wechselrichter, Laderegler - Akkudoktor Forum

Dein roter Strich ist aber nicht standardmäßig aktiv, sondern das ist eine bewusste Schaltung des MP.

ist

Ich kann es leider aktuell nicht beweisen, aber ich vermute folgendes (Achtung Theorie): Der Multiplus prüft, ob extern eine Spannung anliegt und deren Qualität. Wenn Spannung und Frequenz passen, dann versucht er die Frequenz zwischen innen und außen zu synchronisieren und schaltet dann durch. In meinem Fall ist die Synchronisierung fehlgeschlagen.

Hier noch eine Diskussion vom Victron Forum wo sicherlich für solche Fragen das bessere KnowHow ist:
https://community.victronenergy.com/questions/126926/multiplus-netzparallel-gemeinsamer-neutralleiter-a.html

https://community.victronenergy.com/questions/153147/multiplus-ii-5000-parallelbetrieb-evu-netz-n-leite.html