Loxone Überschussladung Wallbox / ausgegliedert aus Kleiner Umbau an der PV-Anlage geplant. PV Drosselung nötig aber wie

Ich hab die Go-e 11KW Wallbox. Die läßt sich super mit Loxone steuern. Und ist günstig.
Angabe sind hier leicht. Man gibt nur an ob 1Phaseig oder 3 Phasig und Stromstärke von 6 - 16A. Alles über Modbus. Den Überschuss berechne ich selber von den Verbräuchen im Haus.
Weil ich möchte etwas Laden wenn nicht gerade Überschuss da ist. Aber nur mit kleiner Leistung. z.B. 4.1Kw
und bei Viel Sonne lass ich nicht alles in die Batterie gleich, sondern mache ca. 50/50 wenn das Auto angesteckt ist. So das Batterie und auch Auto gleichzeitig geladen werden.

Mann ist echt so flexibel mit Loxone. Aber vorweg! Wenn du auch ne Go-e Wallbox mit Loxone betreiben willst, installier nicht das neueste FW auf der Go-e. Da gibt es viele Schwierigkeiten mit Modbus Kommunikation.

nutze zwei selbstgebaute Wallboxen mit Phoenix Controller, aber wir werden hier wirklich OT, ich werde das mal in einen neuen Thread ausgliedern.

1 „Gefällt mir“

a ok, Cool.
Kannst du mal ne Stückliste oder einen groben Bauplan reinsetzen. Würde mich sehr Interessieren. Könnte man den Phoenix über Modbus Ansteuern? Muss auf das Programmiert werden denke ich.

ja kann Modus TCP, nutze ich momentan auch zur Leistungsregelung, das der Hausanschluss nicht überlastet wird. Zwei Wallboxen sind vorhanden, eine ist momentan per ModBus angebunden, da diese 40A Ladestrom kann.
folgende Controller sind verbaut
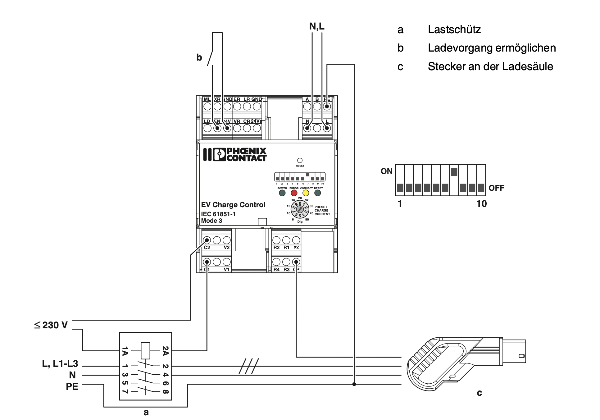
Phoenix Contact 2902802 EM-CP-PP-ETH Ladesteuerung

Blöd ist die Integration in die Wallbox Bausteine der Loxone, habe die Regelung momentan selbst programmiert. Würde aber gerne auf die Energie und Wallbox Bausteine der Loxone zurückgreifen, dann wäre Visualisierung etc. schöner und einfacher.

Phasenumschaltung wäre auch geil :star_struck:

1 „Gefällt mir“

so viel gefummel für den Controller, nur weil man bei den Loxone Bauteilen keine eigenen Modbus Adressen angeben kann

1 „Gefällt mir“

Schaut nicht schlecht aus :smiley: . Etwas mehr wie bei mir.
Aber das ist ja das schöne das man so frei Hand hat wie es genau laufen soll.

Hast zu der Wallbox selber auch einen Plan? was braucht man noch neben den Phoenix Charge Control?

minimal ein Leistungsschütz bei einem fest montierten Kabel.
bei mir halt noch ein 3 phasiger Modbuszähler, damit die Loxone weiß was die Wallbox zieht.

hier die Seite von Phoenix, dort findest du auch das Handbuch mit Anwendungsbeispielen
https://www.phoenixcontact.com/de-de/produkte/ac-ladesteuerung-em-cp-pp-eth-2902802

ok, also da muss man schon wissen welches Kabel wo hin…
Hast da ein Bild von der Offenen Wallbox?

läuft ja schon seit Jahren fehlerfrei an der Loxone, würde es halt gerne über die Bausteine anbinden, das geht leider nicht, deswegen alles selbst programmiert.
Der einfachste Einsatzfall:

b ist bei mir eine Brücke, enable schalte ich über Modbus.

1 „Gefällt mir“



obere Reihe 3 phasiger Modbus Zähler, am Phönix angeschlossen, der Phoenix Controller, 40A Schütz

1 „Gefällt mir“

der CP gibt den Ladestrom vor. Oder?
Also sagt dem Auto was es Saugen darf.

1 „Gefällt mir“

ja, den kann man am Controller auf den maximalen Ladestrom begrenzen (Drehschalter) die Loxone sendet den aktuellen Wert per Modbus an den Controller, und dieser passt den CP an, das Auto ändert den Ladestrom auf den aktuellen Wert vom CP.

Interessant, Wie steuerst du mit den Drucktasten (Min-Max) die Phoenix? Oder gibts du hier ein Signal an Loxone?

Ich hab die Go-e über Kleinanzeigen für nur 190€ bekommen. Hier war dann an kein selberbauen in frage gekommen.

1 „Gefällt mir“

da war ich faul, die Taster gehen auf ungenutzte Eingänge vom Phönix, diese frage ich mit der Loxone per Modbus ab, so konnte ich Kabel sparen und digital Eingänge an der Loxone :rofl::innocent:

Cool! Schön gelöst!

1 „Gefällt mir“

die Box hängt seit 2015 an der Hauswand, da gab es noch keine günstigen Wallboxen.

1 „Gefällt mir“

Umschaltung auf 1 phasig muss ich mir noch Gedanken machen, da muß ja einiges in der richtigen Reihenfolge geschehen.

  • enable entziehen
  • prüfen ob Strom =0A
  • prüfen ob KFZ nur Status connect liefert
  • 2 Phasen wegschalten
  • enable setzten

beim umschalten auf 3 phasig wieder das gleiche

man darf nicht einfach 2 Phasen wegschalten, weil dann z.B. bei unserer ZOE der Charger das zeitliche segnen würde. Einphasig ist der Lader in der ZOE anders beschaltet als 3 phasig, die eingebauten Relais würden verbrennen, weil dann intern 2 Phasen kurzgeschlossen werden.

Die 11kW Wallbox von Loxone macht diese Umschalterrei mit dem passenden Baustein allein, aber die ist mir eigentlich etwas teuer, zumal ich noch mal nen anderen Zähler einbauen müsste.

Das minimale Laden ist bei mir eh nur noch 3 Phasig mit 6A. was ca. 4,1KW sind.
So geht dann das steuern von 6 bis 16A sehr schnell und ohne Unterbrechung wegen ständigem Umschalten von 1 auf 3 und zurück.

Also Tipp von mir, lass die WB in 3 Phasen laufen.

1 „Gefällt mir“