ralf1
(Ralf Rainer Sinn)
1
Hallo,
ich weis einfach nicht mehr weiter!
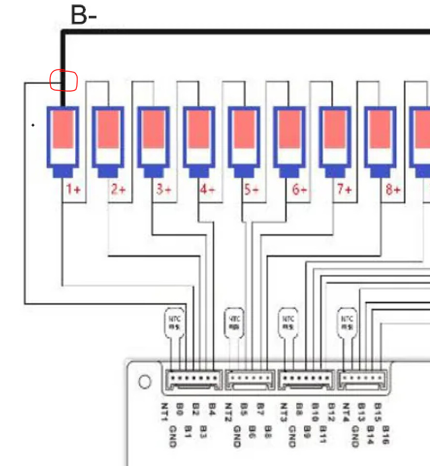
Ich habe 2 mal 16 Zellen a 360Ah 48V System, mit JK BMS aufgebaut.
Ich habe bei beiden BMS den Identischen Fehler was auf ein falschen Anschlß der Zellen hindeutet.
Ich habe mal Bilder beigefügt, kann den Fehler jemand erkenneen?
MFG Ralf
hf_spsler
(HF_SPSler)
2
Ich gehe mal stark davon aus, dass von Zelle1 nicht zweimal gemessen werden muss/kann 
B0 ist der Gesamt GND/Battery - siehe dazu das Wiringdiagram von JK:
2 „Gefällt mir“
ralf1
(Ralf Rainer Sinn)
4
Und wo soll B0 dann angeschlossen werden?
carolus
(Carlos)
7
Genau da müssen 2 Kabel sein.