BWWP parallel zum vorhandenen Warmwasserspeicher ?

@thorstenkoehler Theoretisch gute Idee, aber praktisch ? Hmm, schwierig.

Das ganze muß Failsave sein. Auch wird es, wie ich denke, im WP Betrieb nicht ohne E-Heizstab gehen. Die WP schaft maximal 55°C unter optimalen Bedingungen. Wenn die aber mal nicht gegeben sind, dann kann es zu einem Legionellenproblem kommen....

Echt nicht einfach :roll_eyes:

@puppy ich glaube du denkst zu kompliziert.

Gegen deine Legionellen hast du ja für einmal pro Woche hochheizen nach wie vor deine Gasheizung.

Eine kleine Wärmepumpe kannst du einfach per Umschaltventil und die Leitung von deiner Gasheizung klemmen so wie er es mit einer Poolwärmepumpe gemacht hat https://youtu.be/uZ1GA-IJbBM?si=elAZ2NboL1oL4LZB

Ich habe das auch so bei mir gemacht, jedoch mit einem Motorkugelhahn (und richtigen Heizungsrohren) die Leitung zur Wärmepumpe geht nur auf wenn die angefordert wird. Technisch kannst du einfach ein Relais mit einem Wechsler an den Schaltausgang deiner Gasheizung klemmen, damit die Wärmepumpe abschaltet wird und der Motorkugelhahn wieder umschaltet, sobald deine Gasheizung Warmwasser machen will.

Die Umwälzpumpe der WP benutze ich bei mir auch für einen Heizstab den ich einfach in einem Rohr montiert habe um PV Überschuss zu verbraten. Ich habe aber Aktuell eh nur einen kleinen Heizstab mit verbautem Thermostat aus einem Badheizkörper verbaut, da reicht ein 1" Rohrstück.

@brinki Ja, vermutlich denke ich zu kompliziert. Aber meine Gegebenheiten sind es auch.

Wenn ich so einen großen und feuchten Keller wie Mr.Mining hätte, wäre das eine brauchbare Lösung.

Aber ich habe nun mal einen relativ kleinen und trockenen Spitzboden. Da diese Pool WP`s einen großen offenen Lüfter haben, wäre mein Dachbodenvolumen sicher ruckzuck unterkühlt.

Ich brauche eine Anbindung durchs Dach für Zu- und Abluft.

....es bleibt kompliziert..... :grimacing:

@puppy Kein Fenster im Giebel oder in der Schrägen?

@thorstenkoehler Nein, keine.

Dachboden vollisoliert und mit Fermazell ausgebaut.

Dachneigung 45°, Höhe vom Boden bis zur Spitze 186cm.

125er Durchbrüche mit Dachpfannenlüfter, oder 1 Ausgang am Giebel sind kein Problem.

@puppy Das reicht doch für die BWWP aus. Zumindestens bei den Ariston 100L und vermutlich auch bei der 80L Version sind die Luftkanäle 125mm

@thorstenkoehler Oder die HAIER HP80M5 ist auch nicht schlecht. ..... ja nur, wenn es dann die Reihenschaltung werden sollte :exploding_head:

Das hatte ich vorher nirgendwo gelesen, dann geht das damit natürlich nicht (so einfach)
Wobei ich durch den Giebel gehen würde (ist billiger)
Da etwas günstiges zu finden ist nicht leicht, besonders wenn die im Winter auch noch laufen soll.
Vielleicht wäre ein kleiner Monoblock,
den du an den Giebel hängst/aufs Dach stellst die wirtschaftlichere Variante,
da der auch in der Übergangszeit/beim Ausfall der Gasheizung mit Heizen kann.
Alternativ geht eine Split Wärmepumpe, z.B. sowas https://www.heatstar.eu/de/split-waermepumpe-6-kw-ar321phbafa.html
(wobei ich dann eher auf sowas setzen würde https://www.unidomo.de/heizung/waermepumpe/luft-wasser-waermepumpe/lg-split-luft-wasser-waermepumpe-r32-hu051mr-mit-5-5-kw-leistung_206073_202046/)
Wenn du das Aussengerät verstecken willst,
da können ein paar Meter Leitung dazwischen sein (teilweise bis zu 25m)
Das Video von Mr.Mining meinte ich auch hauptsächlich wegen der Nutzung des selben Heizregisters für WP und Gasheizung,
das mache ich auch so.
Heizstab geht auch extern, wie bei dem Kollegen https://solaranzeige.de/phpBB3/viewtopic.php?p=17000&sid=5f040116ec75dc9348843d85e281389a#p17000
oder im Ablauf vom Boiler wie bei ihm https://danielschmitz.info/?page_id=2105

1 „Gefällt mir“

Vielen Dank für die vielen Tips und Ideen von Euch, echt super und hat mir sehr geholfen !! :+1:

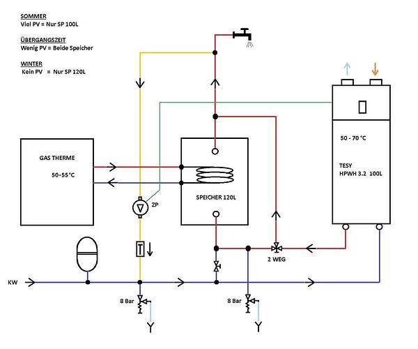
Nach Abwägung aller Vor- und Nachteile, habe ich mich nun zu folgendem Aufbau entschlossen :

Da ich selbst über ein Schema nachdenke, zwei Fragen:

- Wofür ist das zweite Sicherheitsventil rechts? Absperrung vor "Speicher 120l" plus 2WV macht potentiell den Weg zum SV links für den Speicher zu?

- Das Sicherheitsventil liegt auch auf der Warmwasserseite der BWWP. Es heisst überall, SV nicht auf die Warmwasserseite, ich weiß bloss nicht warum?

Danke,

Warum wird der jeweilige Speicher umgangen? Zumal dann in einem Speicher immer das Wasser steht. Das kann Keime verursachen.
Wenn das kalte Wasser immer durch die BWWP läuft dann wird es im Sommer dort erwärmt und im Winter nur manchmal vorgewärmt.
Die Gas-Therme macht die Temperatur-Erhöhung. Im Sommer wenig bis gar nicht. Im Winter mehr.
Oder liege ich da falsch ?

Habe bei uns so aufgebaut mit Ochsner Europa Mini, Brennwerttherme und 300 L Brauchwasserspeicher. Wobei in der Übergangszeit bei etwas PV wird der Rücklauf unterstützend vorgewärmt. Wasser wird permanent über Ochsner aufbereitet, Gas unterstützend oder Legionellenbehandlung.

@stakon5

Sehe ich das richtig, du schickst hier dein Trinkwasser direkt durch die Ochsner?

Ich glaube nicht das das so von Ochsner gedacht ist.

Hat die Ochsner eine DVGW Zulassung?

Warum nicht die Ochsner an den Wärmetauscher durch den jetzt der RL der Heizung läuft?

Oder ein 3-Wege Ventil in den oberen WT-Kreis so das du umstellen kannst ob Gasheizung oder Ochsner das Wasser warm macht?

Hallo da ich aus sowas im Januar bauen werde habe ich mal eine Frage.

Du würdest also immer das WW der BWWP durch den alten Speicher gehen lassen?

Dann habe ich ja die doppelte Menge an WW (alter Speicherinhalt + BWWP Inhalt)

Das schlägst du vor damit im alten Speicher kein Wasser steht?

Ich wollte das auch so machen und meinen alten Speicher zu 90% abschiebern.

Nur wenn ich Im Winter Holz schüre (Wochenende) wollte ich den Alten WW Speicher benutzen.

Wie kann ich sicherstellen das im alten WW Speicher sich keine Bakterien ... bilden.

Kann ich den entleeren?

@ewu75

Die Ochsner Europa Mini wurde gemäß der Einbauanleitung angeschlossen. Die erwärmt das Trinkwasser direkt, denn laut Ochsner war mein Untere WT schon zu klein dimensioniert um die Wärme effektiv abzugeben und der obere ist ja noch kleiner. Die WW-Aufbereitung funktioniert schon seit 5 Jahren hervorragend, nun erst dieses Jahr habe ich die Energie der WP unterstützend zur Gastherme (Rücklauf) angeschlossen. Das ganze natürlich mit entsprechenden Ventilen, um das Ganze bedarfsabhängig (Übergangszeit oder Hauptheizperiode) zu leiten.