Hallo,
Heute soll der E-Schrank kommen, danach wird langsam weiter gearbeitet.
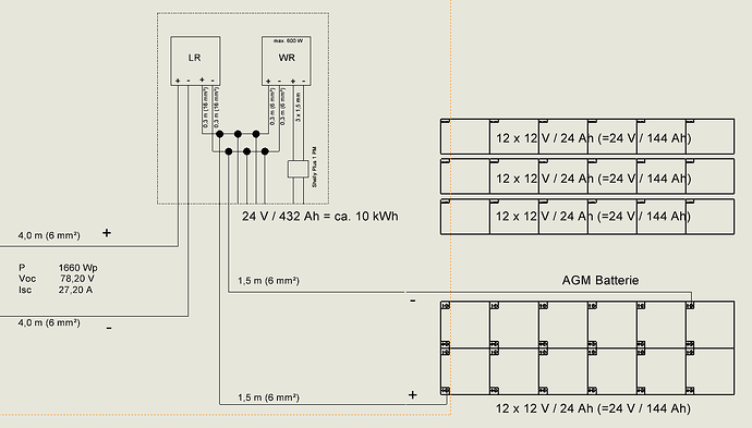
- 4 x Maysun 420 Wp Richtung Westen mit ca. 70°
- Laderegler wahrscheinlich Victron 100/50
- Wechselrichter max. 600 W
- AGM Batterie 12 V / 24 Ah aktuell 8 Stück (Gebraucht ca. 4 Jahre alt, Platz bis zu 36 Stück)
- Shelly Plus 1 PM
die ersten 2 von 4 Module sind am Balkon befestigt.
Gestern gegen 15.00 Uhr 300 W bei seitlicher Einstrahlung.
Johann
Hallo Johann,
wie wirst du die Einspeiseleistung der AC Seite deines BKW regeln?
Kann dein WR seine Ausgangsleistung steuern und als Istwert nimmst du den Messwert der Shelly Plus 1 PM?
Andreas hat ja gerade ein Video veröffentlicht, bei dem er keine AC Leistungsmessung nach dem WR eingebaut hat, stattdessen einen DC/DC - Wandler zw. Akku und WR.
LG
Patrick
Hallo,
nachdem der Zähler gewechselt wurde, werde ich Shelly Plus 3 installieren. Die wird dann den Ist-Verbrauch messen und an den Wechselrichter schicken.
WR kann dann bis 600 Watt regeln.
Johann
Die Frage bleibt ja, wie regelst du deinen WR?
noch gar nicht
wird aber in die Richtung sein.
https://forum.drbacke.de/viewtopic.php?t=4946




